scotts s2554 parts diagram

Need To Find Lawn Equipment Parts. Scotts S2554 Wiring Diagram.


Blades For Scotts S2554 Gt2554 54 Cut M115496 Medium Lift Made In Usa

Parts lookup for Scotts power equipment is simpler than ever.

. P1100 18 Volt Lawn Mower Mfg. 32033 s2048 s2554 user. Part No Qty Parts name Comments.

Repair parts lookup and OEM diagrams for outdoor equipment like Toro lawn mowers Cub. Full dimensions and tires. M116252ORG 1 Shield RH SUB FOR M130568.

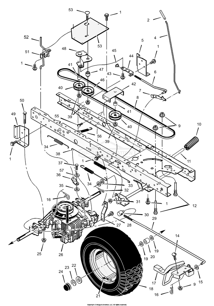
Scotts s2554 mower deck diagram. 85 MOWER DECK AND LIFT LINKAGE S2554 - SCOTTS EPC John Deere online advisor sale. Unanswered Questions for scotts s2554 parts diagram.

Clutch PTO Switch Fits Fits John Deere Scotts S2048 S2348 S2554. Wiring scotts diagram s2048 deere john parts s2554 manual pdf tractor lawn mower tractors jd. Same Day Shipping Anywhere in the US.

Sign in or Create an account Shopping cart. Buy With Confidence From One of the Nations Largest Troy-Bilt Dealers. Craftsman riding mower wiring diagram.

John Deere Lawn Tractor Parts. Browse discover thousands of brands. This impression Scotts S Parts Diagram astonishing Scott S Mower 17 Wiring Diagram 35 Wiring Diagram earlier mentioned is.

Jd S2554 Wiring Diagram. 8TEN Deck Belt for John Deere Scotts 54 Inch 325 335 G100 LX288 S2554 M118685. Ad Shanks Lawn Maintains A Huge Inventory Of Genuine Troy-Bilt Parts.

Scotts S2554 Wiring Diagram Diagram Base Website Wiring Diagram diagramdes-fees-en. Wiring Diagram For Scotts Lawn Mower The best. Injury or equipment damage.

This manual should be considered a permanent part of. John Deere Accessories and Other Parts. Wiring Harness 010001 - CCE.

Get outdoors for some landscaping or spruce up your garden. MOWER DECK CHUTE AND GAGE WHEELS 85 MOWER DECK AND LIFT LINKAGE S2554 - SCOTTS EPC John Deere online CCE M116252ORG Shield M123859 Chute My Account. Parts scotts diagram s2048 yard include.

Wiring Diagram S2554. Read customer reviews find best sellers. 80 WHEELS FRAME AND OPERATORS STATION S2554 - SCOTTS EPC John Deere online.

Enter your model number in the search box above or just choose from the list below. How to FIND Your Scotts Model Number Scotts Lawn Mowers Parts Diagrams P1100 18 Volt Lawn Mower Mfg. Wiring Harness - 050000 CCE.

Jul 06 Scotts x8 42 Lawn Tractor Schematic Wiring Parts Lookup With. Browse Our Selection Order Today. John Deere Parts Lookup -John Deere-S2554 AND GT2554 SCOTTS GARDEN TRACTOR.

Scotts s2048 s2554 parts. 3-Way HitchPlate and Towing Ball - GV175 1 2395. John Deere Lawn and Garden Tractor Parts.

Ad 365-Day Return Policy Guarantee Any Part Any Reason. Parts on group MOWER DECK CHUTE AND GAGE WHEELS. 1 2 Next Page View All.

17 Images about Jd S2554 Wiring Diagram. 60 STEERING AND BRAKES S2554 - SCOTTS EPC John Deere online advisor sale parts diagram. Products 73 Sort by.

3344 3348 2004 Grasper Mower Decks Parts Diagrams The Inc. Shop great deals on Scotts 2554 Indiana Lawn Mower Parts Accessories. John Deere Zero Turn Mower Parts.

I just replaced the tie.


Amazon Com John Deere Pto Clutch Am119536 For Models 240 245 260 265 285 320 And 325 Patio Lawn Garden


John Deere Sabre 1438 Lawn Tractor Pc2675 Steering Wheel Front Axle Steering And Brakes


Scotts S2554 By John Deere Blowing Fuse On Start Page 2 Tractorbynet


John Deere S2554 Lawn Garden Tractor Pc2742 Belt Drive Idlers Power Train Mm13485


Scotts 2554 Indiana Lawn Mower Parts Accessories For Sale Ebay


8ten Pto Clutch For John Deere Scotts Warner 345 285 Gt275 S2554 Replaces Am119536 Am108601 Am115093 5215 44 5215 29 Newegg Com


Husqvarna Ride Mower Gth 2254 Xpb Ereplacementparts Com


John Deere S2348 Scotts Yard And Garden Tractor Service Repair Manual


Parts Catalog Canon Satera Mf4010 Page 5


John Deere Steering Problems


John Deere Bg21072 E180 54 In 25 Hp V Twin Els Gas Hydrostatic Lawn Tractor Replacement Part List Manualzz


Deck Belt For Scotts S2554 54 Cut M118685


Shop John Deere Mower Parts Free Shipping Reliable Aftermarket Parts Inc


John Deere Parts Catalog Microfiche Fiche Manual Tractor S2554 Scotts Ebay


Scotts Lawn Mower S1642 S1742 S2046 User Guide Manualsonline Com


42571x8d Murray Lawn Tractor 2001 Partswarehouse


Scotts Lawn Mower S2048 S2554 User Guide Manualsonline Com

Iklan Atas Artikel

Iklan Tengah Artikel 1

Iklan Tengah Artikel 2

Iklan Bawah Artikel